鐵氣密隔音門鎖防火檢測報告
" />
電話:020-39239047









服務熱線:86-020-39522308
手 機:13560154185 吳經理
傳 真:020-39522308-805
Q Q:563485331
微 信:13560154185
Email:evydoo@163.com
網址:www.tujiachanzuibing.com
地址:廣東省廣州市番禺區橋興大道989號中創匯U+創意園2棟321-322室
地鐵氣密隔音門鎖防火檢測報告
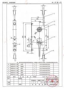
地鐵氣密隔音門鎖簡稱氣密鎖,該門鎖不僅要氣密和隔音,還要防火,這是地鐵對門鎖的又一項要求.以前我們公司對地鐵氣密隔音門鎖(氣密鎖)做了氣密性的檢測,這次我們委托了國家防火建筑材料質量監督檢驗中心對門鎖進行了防火檢測,檢測的型號為U9GT6151-1,該氣密隔音門鎖(氣密鎖)由上插桿、鎖體、鎖芯、把手、下插桿、方舍等組成,主要材質為不銹鋼,試件安裝在鋼質防火門門扇側,并與門框相配合。耐火試驗時防火門平接安裝。防火門外形尺寸:1200mm*2400mm*130mm,門扇厚68mm。檢測的耐火性能為1.50h,耐火性能的標準是:1.防火鎖應無明顯變形和熔融現象2.防火鎖應無竄火現象3.防火鎖應能保證防火門門扇處于關閉狀態。我們的檢驗結果為:1.1.50h,無明顯變形和熔融現象2.1.50h,無竄火現象3.1.50h,防火鎖能保證防火門門扇處于關閉狀態。
地鐵氣密隔音門鎖(氣密鎖)防火檢測報告如下圖:
版權聲明:艾若多門控版權所有,歡迎分享并注明出處!








